
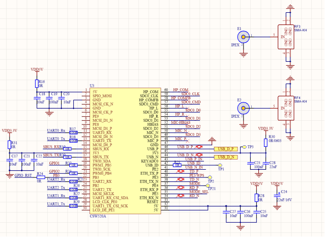
GPIO_RST信号线:连接到通信模块U3的引脚20(标注“GPIO2”),是控制模块复位的关键信号。
下拉电阻R24:一端接GPIO_RST信号线,另一端接地(GND),阻值为10kΩ(丝印“103”表示10×10³=10kΩ)。
✅ 作用:默认状态下(无外部驱动时),通过R24将GPIO_RST信号线拉低至0V(低电平),触发模块复位。
低电平复位:当GPIO_RST为低电平(0V)时,模块进入复位状态(初始化或重启)。
高电平工作:当外部控制器(如单片机)通过GPIO_RST信号线输出高电平(3.3V/5V)时,模块退出复位,正常工作。
符号:长方形或波浪线(图中为长方形,如R24、R16)。
标注含义:“R24”表示第24个电阻,“103”表示阻值(10kΩ)。
作用:限流、分压或固定电平(如上拉/下拉)。
符号:两条平行线(图中C18、C19、C20)。
标注含义:“C18 10uF”表示容量为10微法的电容,“C19 100nF”为100纳法。
作用:滤波(稳定电源电压)、储能,图中C18-C20并联在VDD5V(5V电源)与GND之间,用于滤除电源噪声。
符号:黄色矩形框,内部标注引脚功能(如“5V”“GND”“GPIO2”)。
作用:通信模块核心,集成了UART、SPI、SBUS等通信接口,GPIO_RST(连接到引脚20)是其复位控制引脚。
VDD5V:模块供电引脚(5V电源输入)。
GND:接地符号(三条长短递减的横线),电路的公共参考点(0V)。
符号:带标注的直线,连接不同元件的引脚。
示例:“UART Tx”表示串口发送信号线,“GPIO2”表示通用输入输出引脚2。
上电默认复位:模块刚通电时,GPIO_RST信号线被R24拉低至0V,模块检测到低电平,自动执行复位(清空缓存、初始化寄存器)。
手动/程序控制复位:若外部控制器需要重启模块,可将GPIO_RST信号线短暂拉低(如通过单片机输出低电平),模块再次触发复位;释放后信号线恢复高电平,模块正常启动。
❌ 如果没有R24:GPIO_RST信号线会“浮空”(电平不确定),受外界干扰可能随机跳变,导致模块误复位或无法启动。
✅ 有了R24:强制信号线默认低电平,确保模块上电必复位,工作时稳定可靠——这就是“下拉电阻固定默认电平”的核心作用。
复位原理:通过下拉电阻R24(10kΩ)将GPIO_RST信号线接地,默认输出低电平(0V),触发通信模块U3复位;外部控制器可通过此信号线输出高电平,使模块退出复位并工作。
关键元件:
GPIO_RST信号线:连接模块U3的引脚20(GPIO2),控制复位状态。
下拉电阻R24:固定默认低电平,避免信号“浮空”导致误动作。

“下拉电阻R24就像‘默认刹车’,上电时把复位信号拉低(踩刹车),模块复位;需要工作时松开刹车(信号变高),模块启动。”